OBWI brain-duino

 
 



















this PCB can be configure with some option circuit : color rectangle parts are option.




Option A : OPA2111

when not use OPA2111

connect SJ12, SJ13, SJ14, SJ15

no need R27,R23,R24,C24,C28

no need R28,R25,R26,C29,C30

and R5,R6 = 200 ohm for X 100

when use OPA2111 : no R5,R6 for X 1



this option A is included in the Sale unit.


this OPamp is same as used in original IBVA

witch start ship 1991.


one of the most low noise amp in this 30 years.

but need high current ( 5 mA ) to operate this.


with this option

most low noise at all input source impedance.

1 K ohm to 1 M ohm.


with this option

input impedance is 10 T ohm


without this option

input impedance is 200 G ohm


use this option is recommended to use

headset - electrode without cream / jelly

also nice for RFI noise effect.









Option B : 555

when not use 555, SJ4 & SJ5 set 3-2

and C6=2.7nF, C13=15nF,no need C7,R36,R37

SW:ON=2.7nF+15nF=30Hz high cut

SW:OFF=2.7nF=200Hz high cut

K1 & K2 need in case use D2 port

when use 555, SJ4 & SJ5 & SJ9 set 1-2

and C6=330pF, C13=1.8nF

SW:ON=1.8nF+330pF=30Hz high cut

SW:OFF=330pF=200Hz high cut

only K2 need in case use D2 port

when direct clock input use port D3

SJ4 & SJ5 set 1-2, SJ9 set 2-3



in case use this CH 1 & CH 2

high cut frequency equal.

in case not use this

around +-10% difference.







Option C : K2 : AQY221R2VY

Option D : K1 : AQY221R2VY



in case not use this

high cut frequency set by manual SW.

OFF : 200Hz, ON : 30 Hz

use K1 & K2 can control by I/O port D2.

in case use option B, then only K2 need.


need to do Arduino I/O D2 control program.

H is ON, L is OFF.

when use this way need to set manual SW OFF.








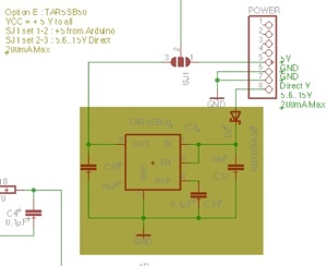
Option E : TAR5SB50

VCC = + 5 V to all

SJ1 set 1-2 : +5 from Arduino

SJ1 set 2-3 : 5.6..15V Direct

200mA Max


use Direct DC input to make 5V











Option F : RGB LED

OSTB0603CiC-A

R31,R32,R40


in case use this RGB LED need to connect

by 3 wire to I/O port
















Option G : R34,R35

when not use R34, R35:

2.15K=R34:1-3, SJ10, SJ11 : ON : set 1.25V offset

2.15K=R34:2-1, 0ohm=R34:2-3 & R35:2-3 : set 2.5V offset


when  use R34, R35:

make 0.939 ..  3.122 V offset



use this trimmer can set

CH 1 & CH 2 DC offset equal.

without trimmer around +-0.1 V offset may happened to AD 0 .. 5 V input, center 2.5V.





Option H : C46,C47

1µF  0.16 Hz low cut

0.1µF  1.6 Hz low cut

or 0 ohm for no low cut


use this C can eliminate DC offset

easy way.






















========= stack 2 board together to make 4 ch input ================

main board : need Bluetooth interface,

SJ2 & SJ3 set 1-2 :

AD0:CH1, AD1:CH2

also need to connect External AD reference Voltage. SJ16 : ON.


stack second board : no need to have Bluetooth interface,

SJ2 & SJ3 set 2-3 :

AD2:CH3(CH1), AD3:CH4(CH2)

also no need to connect External AD reference Voltage. SJ16 : OFF.



Total : 370 mA ( 800 mA Max ) DC input ( 7 .. 12 V ) to Arduino UNO included power for Arduino and Bluetooth.

can not use power from USB connector input. need to use DC plug power input and/or Raw V INPUT PIN.


one board : 150 mA ( 360 mA max ) 5 V

Bluetooth : 30 mA 5 V

Arduino UNO : 40 mA




================ electrode, headset, cable, connector  ================


electrode, headset, cable, connector




================ parts list  ================


parts list





================ Bluetooth interface  ================


JY-MCU Bluetooth and Arduino Pro mini setup





=================== for 24 bit AD operation ================


24bitAD


https://github.com/openbrainhacking/AD7173

https://github.com/openbrainhacking/AD7173-Arduino-interrupt-test-with-IBVA


Raspberry pi doesn’t has AD input.

use this ADC7173 BREAKOUT BOARD with SPI connection is one of the way.





=================== use with Spark Core ================

test process:


Spark Core 12 bit AD input is 0 .. 3.3 V.

need to change D1 & D3 5.1 V Zener diode to 3.6 V.


https://github.com/openbrainhacking/spark-testing





=============================================================


question : contact@psychiclab.net


back


 









 

 

 

Option parts